UHP Water Blasting triplex plunger pumphigh pressure water jet equipmentShip surface treatment system Introduction-2
17 September, 2025Compact High pressure Portable abrasive waterjet chemical plants Tank cutting machine
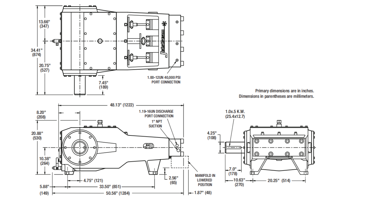
17 September, 2025Ultra-high pressure Triplex Bare-shaft water blasting cleaning pump Fluid End Assembly Steps
The Ultra-high pressure Triplex Bare-shaft water blasting cleaning pump Fluid end assembly is an important part of the hydraulic system. Its assembly process requires strict operating procedures and precautions. The following are the detailed steps for assembling the Ultra-high pressure Triplex Bare-shaft water blasting cleaning pump Fluid end assembly:


One: Preparation work
1: Carefully check whether all parts of the Ultra-high pressure Triplex Bare-shaft water blasting cleaning pump Fluid End are complete and intact, and whether they are damaged or worn.
2: Prepare the tools and materials required for assembly, such as screwdrivers, wrenches, hydraulic cylinders, sealing rings, etc.
3: Keep the workplace clean and dry to avoid impurities and dust from affecting the assembly quality.


Two: The Ultra-high pressure Triplex Bare-shaft water blasting cleaning pump Fluid End Assembly steps
1: Install the plunger: Install the plunger in the cylinder liner.
Pay attention to the length and installation direction of the plunger to ensure that the plunger can slide smoothly.
2: Install the sealing ring:
Install the sealing ring between the plunger and the cylinder liner to ensure the integrity of the sealing ring and the correct installation direction.
3: Install the spring seat:
Install the spring seat on the cylinder liner.
Pay attention to the installation direction and position of the spring seat to ensure that it can effectively compress the sealing ring.

4: Install the valve group assembly:
Install the valve group on the pump head, pay attention to the installation direction and position of the valve group, and ensure that the valve group can correctly cooperate with the plunger.
5: Install the high-pressure seal:
Install the high-pressure seal between the pump head and the valve group.
Pay attention to the integrity of the high-pressure seal and the correct installation direction.
6: Install fasteners: Use tools such as a torque wrench to install the fasteners on the fluid end to ensure the tightness and stability of each component.
7: Debugging and testing:
After completing the assembly, frequently debug and test the Fluid end assembly of the high-pressure plunger pump to check whether the operation and performance indicators of the pump are normal.


Three: Note
1: During the assembly process, avoid damaging or scratching the surface of each component, especially wearing parts such as sealing rings and oil seals.
2: During the installation process, ensure the correct installation direction and position of each component to avoid misalignment or interference.
3: During the debugging and testing process, the working pressure of the pump must be gradually increased to avoid too high pressure from the beginning, which may cause damage or leakage to the Ultra-high pressure Triplex Bare-shaft water blasting cleaning pump Fluid end whole assembly.

